WB59X5097

Out of Stock
Estimated Delivery:
01 February - 05 February
Guaranteed Safe Checkout Trues Badge
SKU: WB59X5097 Category:
Description
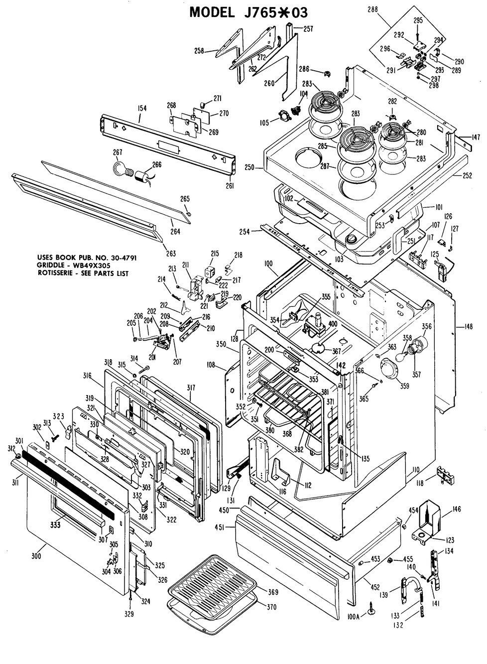
Number on scheme #1 (GE J765*01): 367
Number on scheme #2 (GE J765*03): 367
Number on scheme #3 (GE J765*01): 367

Additional information
Applicable to

GE J765*03, GE J765*01, GE J765*01

Close

Shopping Cart

Close

Shopping cart is empty!

Continue Shopping