Number on scheme #1 (Whirlpool CSP2760HW0): 4
Number on scheme #2 (Whirlpool CS5000XSW1): 4
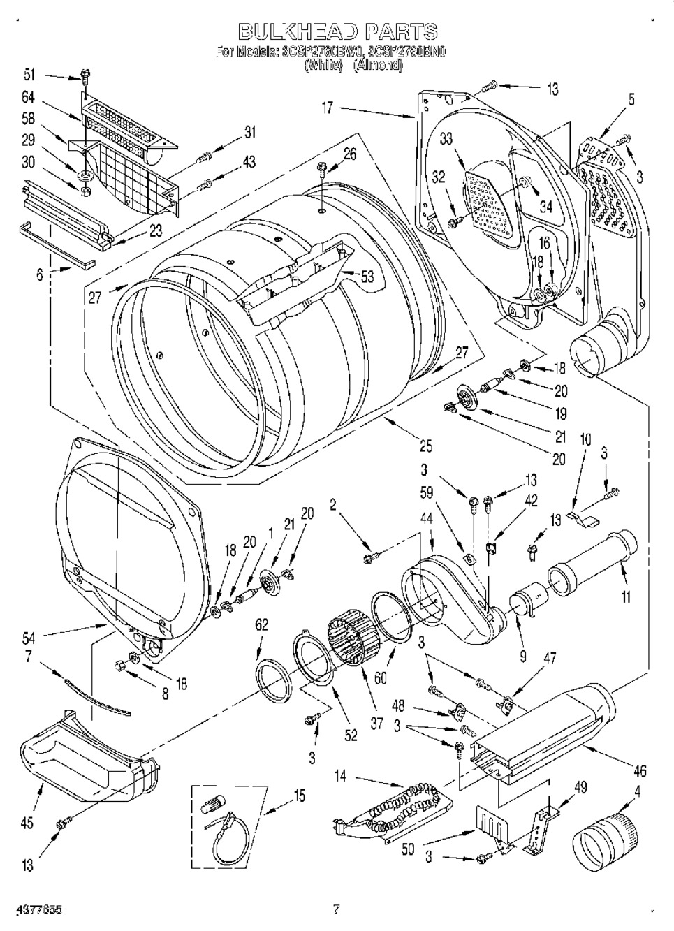
Number on scheme #3 (Whirlpool 3CSP2760BN0): 4
Number on scheme #2 (Whirlpool CS5000XSW1): 4
Number on scheme #3 (Whirlpool 3CSP2760BN0): 4






| Applicable to | Whirlpool CSP2770HW0, Whirlpool CSP2770EW0, Whirlpool CSP2760HW0, Whirlpool CSP2760EW0, Whirlpool CSP2760AW1, Whirlpool CSP2760AW0, Whirlpool CSP2760AN1, Whirlpool CSP2760AN0, Whirlpool CS5000XSW1, Whirlpool 3CSP2760BW0, Whirlpool 3CSP2760BN0 |
|---|
Get access to your Orders, Wishlist and Recommendations.
Your personal data will be used to support your experience throughout this website, to manage access to your account, and for other purposes described in our privacy policy.