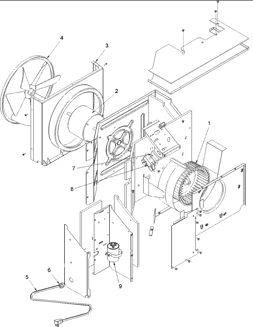
Number on scheme #1 (Maytag PBC081A00A (BOM: P1224902R)): 8
Number on scheme #2 (Maytag PBC111A00A (BOM: P1224904R)): 8
Number on scheme #3 (Maytag PBC071A00A (BOM: P1224901R)): 8
Number on scheme #2 (Maytag PBC111A00A (BOM: P1224904R)): 8
Number on scheme #3 (Maytag PBC071A00A (BOM: P1224901R)): 8








