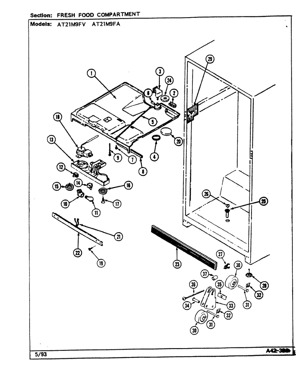
Number on scheme #3 (Maytag AT21M9FA (BOM: DD64A)): 1




69410-1
Number on scheme #3 (Maytag AT21M9FA (BOM: DD64A)): 1
| Applicable to | Maytag RTD21E0CAE, Maytag RTD2100CAB (BOM: DH79B), Maytag RTD2100CAE (BOM: DH72A), Maytag RTD2100CAE (BOM: DH72B), Maytag RTD2100CAE (BOM: DH77B), Maytag RTD2100CAE (BOM: DH80A), Maytag RTD2100CAL (BOM: DH74A), Maytag RTD2100CAL (BOM: DH78B), Maytag RTD2100CAW (BOM: DH71A), Maytag RTD2100CGE, Maytag RTD2100CGE (BOM: DF75A), Maytag RTD2100DAE, Maytag RTD2100DAM, Maytag RTD21E0CAB, Maytag RTD21E0CAB (BOM: DE90A), Maytag RTD21E0CAE (BOM: DE88A), Maytag RTD21E0CAE (BOM: DE88B), Maytag RTD21E0CAL, Maytag RTD21E0CAL (BOM: DE89A), Maytag RTD21E0CAL (BOM: DE89B), Maytag RTDA218AAE, Maytag RTDA218AAM, Maytag RTP2100CAE (BOM: DH73A), Maytag RTP2100CAL (BOM: DH75A), Maytag RTT2100DAE, Maytag RTT2100DAM, Maytag RTT2100EAE, Maytag RTT2100EAM, Maytag RTV2100DAE, Maytag RTV2100DAM, Maytag NT218NFW, Maytag NT218NFA, Maytag NT218MW (BOM: DD71A), Maytag NT218MFA (BOM: DD74A), Maytag NT218MA (BOM: DD72A), Maytag JRTF2160W, Maytag JRTF2160A, Maytag JRTF2150W, Maytag JRTF2150A, Maytag JRTE219W, Maytag JRTE219B, Maytag JRTE219A, Maytag JRTE218W, Maytag JRTE218B, Maytag JRTE217W (BOM: DJ76A), Maytag JRTE217W (BOM: DJ75A), Maytag JRTE217B (BOM: DJ76A), Maytag JRTE217B (BOM: DJ75A), Maytag JRT219W, Maytag JRT219B, Maytag JRT219A, Maytag JRT2160W, Maytag JRT2160A, Maytag JRT2150W, Maytag JRT2150A, Maytag GT21Y8V, Maytag GT21Y8FV, Maytag GT21Y8FA, Maytag GT21Y8A, Maytag GT21X93V (BOM: DF83A), Maytag GT21X93A (BOM: DF84A), Maytag GT21B7N3EV, Maytag GT21B6N3EV, Maytag GT21B4N3EV, Maytag GT21B4N3EA, Maytag GT21A93V, Maytag GT21A93A, Maytag GT21A83V, Maytag RB214PV, Maytag RB214RFA (BOM: DG80A), Maytag RB214RFV (BOM: DG79A), Maytag RB214TFA, Maytag RB214TFM, Maytag RB214TFV, Maytag RB214TM, Maytag RB214TV, Maytag RBE214AFM, Maytag RBE214AFV, Maytag RBE214RFA (BOM: DD54A), Maytag RBE214RFV (BOM: DD53A), Maytag RBE214TFA, Maytag RBE214TFM, Maytag RBE214TFV, Maytag AT21EM9A (BOM: DA78A), Maytag AT21EM9FA (BOM: DA80A), Maytag AT21EM9FV (BOM: DA79A), Maytag AT21EM9V (BOM: DA77A), Maytag AT21M6A (BOM: DD62A), Maytag AT21M6W (BOM: DD61A), Maytag AT21M8A (BOM: DA67A), Maytag AT21M8A (BOM: DA68A), Maytag AT21M8FA, Maytag AT21M8FV, Maytag AT21M8V (BOM: DA67A), Maytag AT21M8V (BOM: DA68A), Maytag AT21M8W (BOM: DA67A), Maytag AT21M8W (BOM: DA68A), Maytag AT21M9FA (BOM: DD64A), Maytag AT21M9FV (BOM: DD63A), Maytag CT21X7A (BOM: DD68A), Maytag CT21X7W (BOM: DD67A), Maytag CT21Y7A, Maytag CT21Y7W, Maytag RB214PA, Maytag RB214AFV, Maytag RB214AFM, Maytag RB213TV, Maytag RB213TM, Maytag RB213TFV, Maytag RB213TFM, Maytag RB213AV, Maytag RB213AM, Maytag RB213AFV, Maytag RB213AFM, Maytag RB212TW, Maytag RB212TV, Maytag RB212TM, Maytag RB212TA, Maytag RB212PW (BOM: DD75B), Maytag RB212PW (BOM: DD75A), Maytag RB212PA (BOM: DD76B), Maytag RB212PA (BOM: DD76A), Maytag RB2120TV, Maytag RB2120TM, Maytag RB2120TA, Maytag RTCA216AAE, Maytag RTCA216AAM, Maytag RTCA216BAE, Maytag RTCA216BAM, Maytag RTD2100CAB (BOM: DH76A) |
|---|



