Number on scheme #1 (Maytag NT21E63A (BOM: 4A56B)): 15
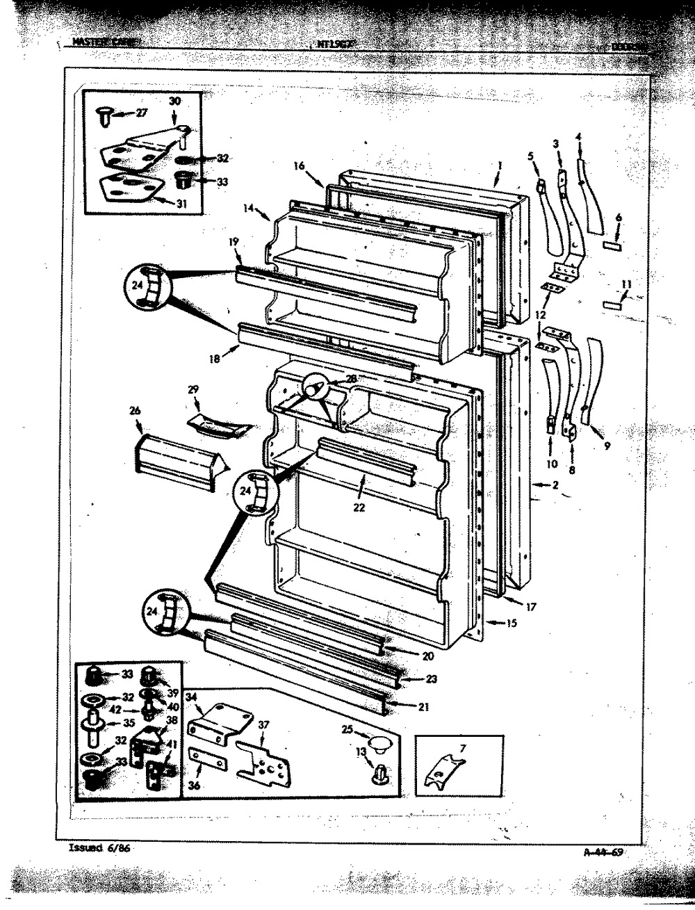
Number on scheme #2 (Maytag NT19G7A (BOM: 5E47A)): 15
Number on scheme #3 (Maytag NT19E53VA (BOM: 5D45A)): 15
Number on scheme #2 (Maytag NT19G7A (BOM: 5E47A)): 15
Number on scheme #3 (Maytag NT19E53VA (BOM: 5D45A)): 15








