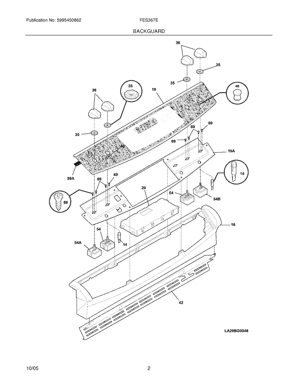
Number on scheme #1 (Frigidaire FES367FCA): 19
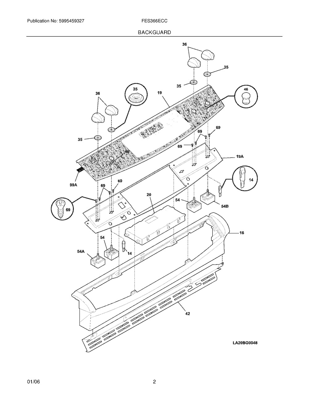
Number on scheme #2 (Frigidaire FES366ECC): 19
Number on scheme #3 (Frigidaire FES367ECB): 19
Number on scheme #2 (Frigidaire FES366ECC): 19
Number on scheme #3 (Frigidaire FES367ECB): 19






| Applicable to | Frigidaire FES366ECB, Frigidaire FES366ECC, Frigidaire FES367ECB, Frigidaire FES367FCA |
|---|
Get access to your Orders, Wishlist and Recommendations.
Your personal data will be used to support your experience throughout this website, to manage access to your account, and for other purposes described in our privacy policy.